耐圧防爆ネットワークカメラ XD-500IP-2M

耐圧防爆ネットワークカメラ XD-500IP-2M|オリエント ブレイン 株式会社

耐圧防爆ネットワークカメラ XD-500IP-2M

■防爆環境下で使用可能なネットワーク型カメラ

■フルHD対応で標準レンズでも水平100°超までの広視野角に対応

■PoE電源供給により、イーサネットケーブルをつなぐだけで使用可能。

※ XD-500IP-2Mの内蔵カメラユニットは、AXIS社製「P1375」になります。

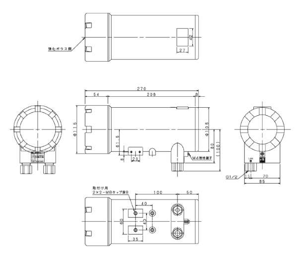
外形寸法(本体部分)
  XD-500IP-2M
ハウジング
素材
耐食アルミニウム合金鋳物
(塗装:メラミン焼付、色:DICカラー142)
強化ガラス窓材
防爆性能 耐圧防爆構造 ExdⅡCT6
(旧構造規格d3nG5 相当以上)
(水素、アセチレン、二硫化炭素を含む全ての爆発性ガスに適合、但し、0種場所を除く)
防塵防水性能 IP65(JIS0920:2003)
カメラ
性能
撮像
素子
プログレッシブスキャンRGB
1/2.8 インチCMOS
最大解像度 1920×1080
レンズ バリフォーカルレンズ2.8㎜~8㎜ F1.2 IR補正°
画角 水平:124° 〜 42°、垂直:65° 〜 24°
シャッター
スピード
1/66,500秒〜 2秒
映像圧縮方式 M-JPEG、H.264、H.265
フレーム
レート
電源周波数50Hz設定時 最大50フレーム/秒
電源周波数60Hz設定時 最大60フレーム/秒
電源 PoE給電(Class3)9.6W(オプションにてDC12Vに対応可能)
使用温度範囲 -10°C〜 +40°C
45% 〜 85%RH(防爆エリア内:結露・氷結なきこと)
外形寸法 115(W)× 270(D)× 137.5(H)㎜
(ケーブルグランドを除く)
質量 約3.6kg

※ケーブルは付属しません。

オプション

■据置型架台・TK-5
■フード・TK-6
■天吊型架台・TK-7
■空冷用カバー・AC-X2s

ダウンロード

R.O.D Co.,Ltd All Rights Reserved.