水素防爆対応 防爆形ネットワークカメラ(多機能PTZ型) NWEX-CM3Ha

水素防爆対応 防爆形ネットワークカメラ(多機能PTZ型) NWEX-CM3Ha

水素防爆対応 防爆形ネットワークカメラ(多機能PTZ型) NWEX-CM3Ha

■2メガピクセル対応光学ズームレンズ搭載 PTZ モデル(実用ズーム比 10 倍程度)

■水素ガス含む Zone 1、Zone 2 での使用の実現

■PoE 給電による省配線化の実現

■同軸ケーブルによるネットワーク化の実現

■セキュリティ & セーフティの実現

■防爆構造 Ex d IIB+H2 T4

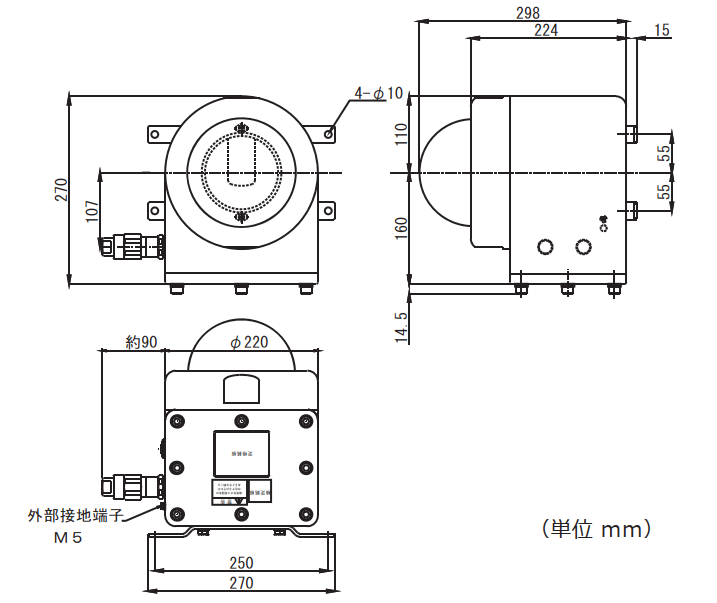
外形寸法
一般仕様・防爆仕様
検定合格番号 第 TC20956 号
防爆性能 耐圧防爆構造 Ex d IIB+H2 T4
電源 AC100V または PoE (IEEE802.3af) 約 12.95W
保護構造 IP66
適用危険場所 Zone 1、Zone 2
使用周囲温度 -10℃ 〜 +40℃ (ヒーター付きは -20℃ 〜 +40℃)
使用周囲湿度 20% 〜 85%RH
外形寸法 (W×H×D) 270 × 313 × 270 ㎜ ※ケーブルグランド・突起部は含まず
材質 アルミニウム合金鋳物
質量 約 16kg ※ケーブルグランド・突起部は含まず
塗装色 【ケース部】 マンセル 5Y 7/1 【リング部】 マンセル 5PB 4/6.5
ネットワーク仕様
ネットワーク 10Base-T / 100Base-TX RJ45 コネクタ
カメラ仕様
内蔵カメラ型式 WV-S61301-Z2 (i-PRO 社製)
撮像素子 約 1/2.8 型 CMOS センサー
有効画素数 約 210 万画素
走査面積 (H×V) 5.57 × 3.13 ㎜
走査方式 プログレッシブ
画像解像度 16:9 (30, 60, 25, 50fps モード)
1920×1080、1280×720、640×360、320×180

4:3 (30, 25fps モード)
1280×960、640×480、320×240

4:3 (15, 12.5fps モード)
2048×1536、1280×960、640×360、320×180
画像圧縮方式 H.265、H.264、JPEG (MPEG)
最低照度 (カラー) 0.015 lx / 0.001 lx
最低照度 (白黒) 0.006 lx / 0.0004 lx
水平回転範囲 0° 〜 350°
垂直回転範囲 0° 〜 90°

R.O.D Co.,Ltd All Rights Reserved.