耐圧防爆PTZ ネットワークカメラ RCS-360B1L/B1
■ PTZ 機能を搭載した小型防爆 IP ドームカメラ
■ PTZ 機能を搭載した高解像度カメラを内蔵
■ LAN ケーブル 1 本でデータ通信、電力供給可能
■ 100m 以上の長距離通信に対応した、同軸 LAN コンバータ内蔵モデルあり
| 型式 | RCS-360B1L | RCS-360B1(同軸 LAN コンバータ内蔵) | |
|---|---|---|---|
| ハウジング素材 |
耐食アルミニウム合金鋳物+強化ガラス窓材 (塗装:メラミン焼付、マンセル 2.5PB 7/8 [オプションで色指定・耐塩塗装可]) |
||
| 防爆性能 |
耐圧防爆構造 Ex db IIC T6 Gb 【型式検定合格番号:第 TC22999X】 (水素、アセチレン、二硫化炭素を含む全ての爆発性ガスに適合、但し0種場所を除く) 容器による粉じん防爆構造 Ex tb IIIC T60°C Db 【型式検定合格番号:第 TC22997】 |
||
| 防塵防水性能 | IP66 | ||
| 内蔵カメラ | AXIS M5075-G | ||
| カメラ性能 | 撮像素子 | 1/2.8 インチ プログレッシブスキャン RGB CMOS | |
| 最大解像度 | 1920 × 1080(約 2 メガピクセル) | ||
| レンズ | 電動ズームレンズ(オートフォーカス機能付) (焦点距離 2.2mm 〜 11.0mm、F 値:F1.4 〜 2.5) |
||
| 画角 | 水平:14° 〜 71°、垂直:8° 〜 40° | ||
| シャッタースピード | 1/17,000 秒 〜 2 秒 | ||
| 映像圧縮方式 | M-JPEG、H.264、H.265 | ||
| 電源 | 給電 | PoE Class3(オプションでサージプロテクション内蔵可) | |
| 消費電力 | 9.5W | 14.5W | |
| 使用温度範囲 | 0℃ 〜 +45℃ 45% 〜 80%RH(防爆エリア内:結露・氷結なきこと) |
||
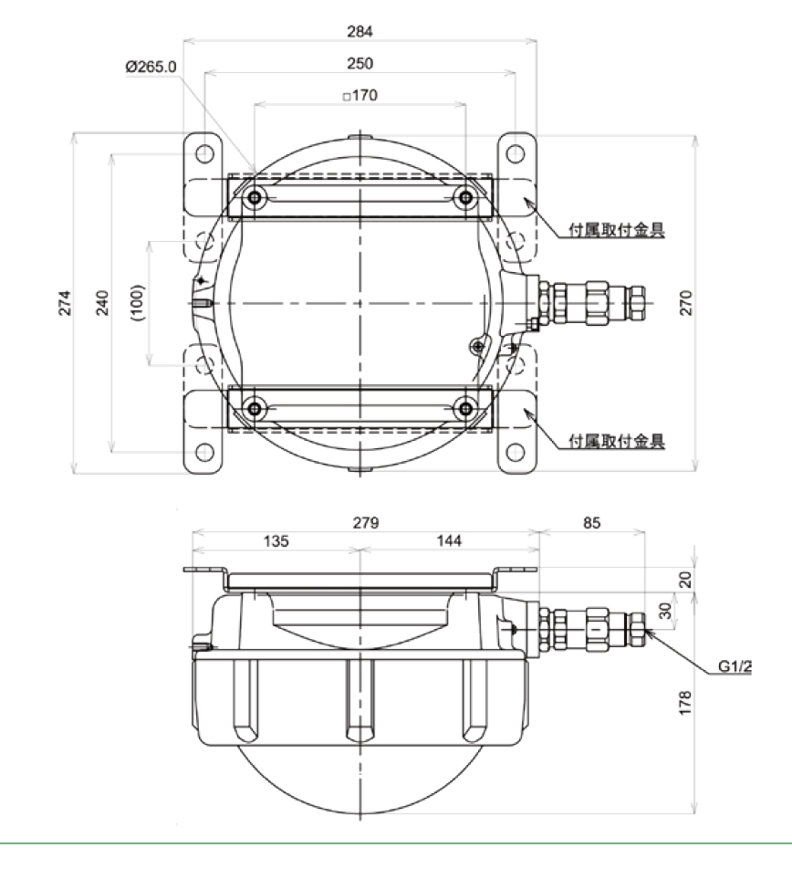
| 外形寸法(W×H×D) | 279 × 270 × 178 ㎜(ケーブルグランドを除く) | ||
| 質量 | 約 9kg | ||
※ケーブルは付属しません




